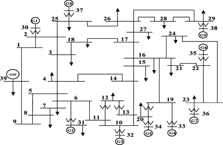
The proliferation of low-cost Internet of Things (IoT) devices has led to a race between wireless security and channel attacks. Traditional cryptography requires high-computational power and is not suitable for low-power IoT scenarios. Whist, recently developed physical layer security (PLS) can exploit common wireless channel state information (CSI), its sensitivity to channel estimation makes them vulnerable from attacks. In this work, we exploit an alternative common physics shared between IoT transceivers: the monitored channel-irrelevant physical networked dynamics (e.g., water/oil/gas/electrical signal-flows). Leveraging this, we propose for the first time, graph layer security (GLS), by exploiting the dependency in physical dynamics among network nodes for information encryption and decryption. A graph Fourier transform (GFT) operator is used to characterize such dependency into a graph-bandlimted subspace, which allows the generations of channel-irrelevant cipher keys by maximizing the secrecy rate. We evaluate our GLS against designed active and passive attackers, using IEEE 39-Bus system. Results demonstrate that, GLS is not reliant on wireless CSI, and can combat attackers that have partial networked dynamic knowledge (realistic access to full dynamic and critical nodes remains challenging). We believe this novel GLS has widespread applicability in secure health monitoring and for Digital Twins in adversarial radio environments.


翻译:低成本的物源互联网(IoT)装置的扩散导致无线安全与频道攻击之间的竞争。传统的加密技术需要高compective 动力,不适合低功率的IoT情景。Whist,最近开发的物理层安全(PLS)可以利用通用的无线频道状态信息(CSI),它对于频道估计的敏感度使得它们易受攻击。在这项工作中,我们利用IoT收发器之间共享的替代共同物理学:受监控的频道相关物理网络动态(例如水/石油/气体/电力信号流)。我们首次提议利用这个应用性,图层安全(GLS),利用网络节点之间的物理动态依赖进行信息加密和解密。一个图 Fourier变电动操作器(GFT)将这种依赖定性为图形带宽的子空间,通过最大程度的保密率,让几代与频道有关的密码键(例如水/石油/天然气/天然气/电力信号流)。我们用IEEE39-BUTS-S安全性攻击器来评价我们的GLS设计的积极和被动攻击者。我们第一次提议,图层层层层层安全访问系统不能让GLES相信G-Bal-C-Bal-Basimalstal Stal Streal Strealview系统。结果能够对这个动态的进入这种动态系统进行精确的系统进行精确的系统。结果。我们仍然相信。GLSBSA的系统进行精确的系统。

0
下载
关闭预览

相关内容

《计算机信息》杂志发表高质量的论文,扩大了运筹学和计算的范围,寻求有关理论、方法、实验、系统和应用方面的原创研究论文、新颖的调查和教程论文,以及描述新的和有用的软件工具的论文。官网链接:https://pubsonline.informs.org/journal/ijoc
[综述]深度学习下的场景文本检测与识别
专知会员服务
78+阅读 · 2019年10月10日
机器学习入门的经验与建议
专知会员服务
94+阅读 · 2019年10月10日
【哈佛大学商学院课程Fall 2019】机器学习可解释性
专知会员服务
105+阅读 · 2019年10月9日
【SIGGRAPH2019】TensorFlow 2.0深度学习计算机图形学应用
专知会员服务
41+阅读 · 2019年10月9日
VCIP 2022 Call for Demos
CCF多媒体专委会
1+阅读 · 2022年6月6日
征稿 | International Joint Conference on Knowledge Graphs (IJCKG)
开放知识图谱
2+阅读 · 2022年5月20日
IEEE ICKG 2022: Call for Papers
机器学习与推荐算法
3+阅读 · 2022年3月30日
ACM MM 2022 Call for Papers
CCF多媒体专委会
5+阅读 · 2022年3月29日
ACM TOMM Call for Papers
CCF多媒体专委会
2+阅读 · 2022年3月23日
【ICIG2021】Latest News & Announcements of the Workshop
中国图象图形学学会CSIG
0+阅读 · 2021年12月20日
会议交流 | IJCKG: International Joint Conference on Knowledge Graphs
Hierarchically Structured Meta-learning
CreateAMind
27+阅读 · 2019年5月22日
Transferring Knowledge across Learning Processes
CreateAMind
29+阅读 · 2019年5月18日
Unsupervised Learning via Meta-Learning
CreateAMind
43+阅读 · 2019年1月3日
国家自然科学基金
0+阅读 · 2014年12月31日
国家自然科学基金
0+阅读 · 2013年12月31日
国家自然科学基金
1+阅读 · 2013年12月31日
国家自然科学基金
0+阅读 · 2013年12月31日
国家自然科学基金
0+阅读 · 2013年12月31日
国家自然科学基金
0+阅读 · 2012年12月31日
国家自然科学基金
0+阅读 · 2011年12月31日
国家自然科学基金
0+阅读 · 2011年12月31日
Arxiv
0+阅读 · 2022年7月8日
Arxiv
27+阅读 · 2020年6月19日
Arxiv
13+阅读 · 2019年11月14日
VIP会员
相关资讯
VCIP 2022 Call for Demos
CCF多媒体专委会
1+阅读 · 2022年6月6日
征稿 | International Joint Conference on Knowledge Graphs (IJCKG)
开放知识图谱
2+阅读 · 2022年5月20日
IEEE ICKG 2022: Call for Papers
机器学习与推荐算法
3+阅读 · 2022年3月30日
ACM MM 2022 Call for Papers
CCF多媒体专委会
5+阅读 · 2022年3月29日
ACM TOMM Call for Papers
CCF多媒体专委会
2+阅读 · 2022年3月23日
【ICIG2021】Latest News & Announcements of the Workshop
中国图象图形学学会CSIG
0+阅读 · 2021年12月20日
会议交流 | IJCKG: International Joint Conference on Knowledge Graphs
Hierarchically Structured Meta-learning
CreateAMind
27+阅读 · 2019年5月22日
Transferring Knowledge across Learning Processes
CreateAMind
29+阅读 · 2019年5月18日
Unsupervised Learning via Meta-Learning
CreateAMind
43+阅读 · 2019年1月3日
相关基金
国家自然科学基金
0+阅读 · 2014年12月31日
国家自然科学基金
0+阅读 · 2013年12月31日
国家自然科学基金
1+阅读 · 2013年12月31日
国家自然科学基金
0+阅读 · 2013年12月31日
国家自然科学基金
0+阅读 · 2013年12月31日
国家自然科学基金
0+阅读 · 2012年12月31日
国家自然科学基金
0+阅读 · 2011年12月31日
国家自然科学基金
0+阅读 · 2011年12月31日
Top
微信扫码咨询专知VIP会员