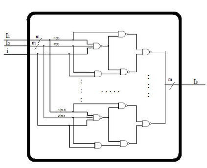
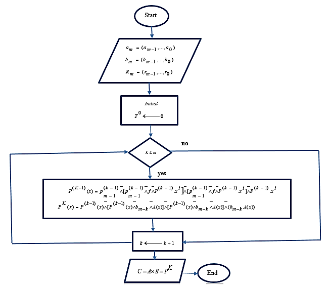
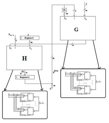
Finite field multiplier is mainly used in error-correcting codes and signal processing. Finite field multiplier is regarded as the bottleneck arithmetic unit for such applications and it is the most complicated operation over finite field GF(2m) which requires a huge amount of logic resources. In this paper, a new modified serial-in parallel-out multiplication algorithm with interleaved modular reduction is suggested. The proposed method offers efficient area architecture as compared to proposed algorithms in the literature. The reduced finite field multiplier complexity is achieved by means of utilizing logic NAND gate in a particular architecture. The efficiency of the proposed architecture is evaluated based on criteria such as time (latency, critical path) and space (gate-latch number) complexity. A detailed comparative analysis indicates that, the proposed finite field multiplier based on logic NAND gate outperforms previously known results


翻译:有限字段乘数主要用于错误更正代码和信号处理; 有限字段乘数被视为这类应用的瓶颈算算单位,是有限的外地GF(2m)的最复杂操作,需要大量逻辑资源; 本文建议采用新的修改的连线并行乘法,并减少分流模块的减少; 与文献中的拟议算法相比,拟议方法提供了高效的面积结构; 使用逻辑NAND门在特定结构中使用逻辑的NAND门,实现了有限的外地倍数复杂性; 依据时间(延时、关键路径)和空间(开关-开关号)等复杂程度等标准对拟议架构的效率进行评估。 详细的比较分析表明,基于逻辑的NAND门的拟议有限外地乘数超越了先前已知的结果。

0
下载
关闭预览

相关内容

强化学习最新教程,17页pdf
专知会员服务
182+阅读 · 2019年10月11日
机器学习入门的经验与建议
专知会员服务
94+阅读 · 2019年10月10日
【SIGGRAPH2019】TensorFlow 2.0深度学习计算机图形学应用
专知会员服务
41+阅读 · 2019年10月9日
VCIP 2022 Call for Special Session Proposals
CCF多媒体专委会
1+阅读 · 2022年4月1日
ACM MM 2022 Call for Papers
CCF多媒体专委会
5+阅读 · 2022年3月29日
AIART 2022 Call for Papers
CCF多媒体专委会
1+阅读 · 2022年2月13日
【ICIG2021】Check out the hot new trailer of ICIG2021 Symposium9
中国图象图形学学会CSIG
0+阅读 · 2021年12月17日
【ICIG2021】Check out the hot new trailer of ICIG2021 Symposium2
中国图象图形学学会CSIG
0+阅读 · 2021年11月8日
【ICIG2021】Check out the hot new trailer of ICIG2021 Symposium1
中国图象图形学学会CSIG
0+阅读 · 2021年11月3日
Hierarchically Structured Meta-learning
CreateAMind
27+阅读 · 2019年5月22日
Transferring Knowledge across Learning Processes
CreateAMind
29+阅读 · 2019年5月18日
Unsupervised Learning via Meta-Learning
CreateAMind
43+阅读 · 2019年1月3日
disentangled-representation-papers
CreateAMind
26+阅读 · 2018年9月12日
国家自然科学基金
0+阅读 · 2015年12月31日
国家自然科学基金
1+阅读 · 2014年12月31日
国家自然科学基金
0+阅读 · 2013年12月31日
国家自然科学基金
1+阅读 · 2013年12月31日
国家自然科学基金
0+阅读 · 2012年12月31日
国家自然科学基金
0+阅读 · 2012年12月31日
国家自然科学基金
0+阅读 · 2011年12月31日
国家自然科学基金
0+阅读 · 2011年12月31日
国家自然科学基金
0+阅读 · 2009年12月31日
国家自然科学基金
0+阅读 · 2009年12月31日
On Representations of Mean-Field Variational Inference
Arxiv
0+阅读 · 2022年10月20日
Arxiv
37+阅读 · 2021年8月2日
Learning in the Frequency Domain
Arxiv
11+阅读 · 2020年3月12日
VIP会员
相关资讯
VCIP 2022 Call for Special Session Proposals
CCF多媒体专委会
1+阅读 · 2022年4月1日
ACM MM 2022 Call for Papers
CCF多媒体专委会
5+阅读 · 2022年3月29日
AIART 2022 Call for Papers
CCF多媒体专委会
1+阅读 · 2022年2月13日
【ICIG2021】Check out the hot new trailer of ICIG2021 Symposium9
中国图象图形学学会CSIG
0+阅读 · 2021年12月17日
【ICIG2021】Check out the hot new trailer of ICIG2021 Symposium2
中国图象图形学学会CSIG
0+阅读 · 2021年11月8日
【ICIG2021】Check out the hot new trailer of ICIG2021 Symposium1
中国图象图形学学会CSIG
0+阅读 · 2021年11月3日
Hierarchically Structured Meta-learning
CreateAMind
27+阅读 · 2019年5月22日
Transferring Knowledge across Learning Processes
CreateAMind
29+阅读 · 2019年5月18日
Unsupervised Learning via Meta-Learning
CreateAMind
43+阅读 · 2019年1月3日
disentangled-representation-papers
CreateAMind
26+阅读 · 2018年9月12日
相关基金
国家自然科学基金
0+阅读 · 2015年12月31日
国家自然科学基金
1+阅读 · 2014年12月31日
国家自然科学基金
0+阅读 · 2013年12月31日
国家自然科学基金
1+阅读 · 2013年12月31日
国家自然科学基金
0+阅读 · 2012年12月31日
国家自然科学基金
0+阅读 · 2012年12月31日
国家自然科学基金
0+阅读 · 2011年12月31日
国家自然科学基金
0+阅读 · 2011年12月31日
国家自然科学基金
0+阅读 · 2009年12月31日
国家自然科学基金
0+阅读 · 2009年12月31日
Top
微信扫码咨询专知VIP会员