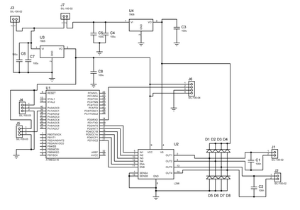
Ants are six-legged insects that can carry loads ten times heavier than their body weight. Since having six-legs, they are intrinsically stable. They are powerful and can carry heavy loads. For these reasons, in this paper a new parallel kinematic structure is proposed for a six-legged ant robot. The mechanical structure is designed and optimized in Solidworks. The mechanism has six legs and only two DC motors actuate the six legs so from mechanical point of view the design is an optimal one. The robot is lightweight and semiautonomous due to using wireless modules. This feature makes this robot to be suitable to be used in social robotics and rescue robotics applications. The transmitter program is implemented in supervisor computer using LabVIEW and a microcontroller is used as the main controller. The electronic board is designed and tested in Proteus Professional and the PCB board is implemented in Altium Designer. Microcontroller programming is done in Code Vision.


翻译:蚂蚁是六条腿的昆虫,可以携带比它们体重重十倍的负载。它们具有六条腿,具有内在稳定性,具有强力,可以携带重负。因此,本文件建议六条腿的蚂蚁采用新的平行运动结构。机械结构在Solidworks中设计和优化。机械有六条腿,只有两只DC马达从机械角度将六条腿的六条腿起动,设计是最佳的。机器人由于使用无线模块而具有轻重和半自主性。这种特性使机器人适合用于社会机器人和拯救机器人应用。发射程序在监督计算机中实施,使用LabVIEW,使用微控制器作为主控制器。电子板在Proteus专业部门设计和测试,多氯联苯板在Altium Dignater实施。微控制程序在代码Vision中进行。

0
下载
关闭预览

相关内容

强化学习最新教程,17页pdf
专知会员服务
182+阅读 · 2019年10月11日
机器学习入门的经验与建议
专知会员服务
94+阅读 · 2019年10月10日
MIT新书《强化学习与最优控制》
专知会员服务
281+阅读 · 2019年10月9日
计算机 | 入门级EI会议ICVRIS 2019诚邀稿件
Call4Papers
10+阅读 · 2019年6月24日
Transferring Knowledge across Learning Processes
CreateAMind
29+阅读 · 2019年5月18日
IEEE | DSC 2019诚邀稿件 (EI检索)
Call4Papers
10+阅读 · 2019年2月25日
【TED】生命中的每一年的智慧
英语演讲视频每日一推
10+阅读 · 2019年1月29日
A Technical Overview of AI & ML in 2018 & Trends for 2019
待字闺中
18+阅读 · 2018年12月24日
【推荐】用Python/OpenCV实现增强现实
机器学习研究会
15+阅读 · 2017年11月16日
【推荐】视频目标分割基础
机器学习研究会
9+阅读 · 2017年9月19日
【推荐】全卷积语义分割综述
机器学习研究会
19+阅读 · 2017年8月31日
【推荐】SVM实例教程
机器学习研究会
17+阅读 · 2017年8月26日
【今日新增】IEEE Trans.专刊截稿信息8条
Call4Papers
7+阅读 · 2017年6月29日
Image Segmentation Using Deep Learning: A Survey
Arxiv
47+阅读 · 2020年1月15日
Arxiv
12+阅读 · 2019年3月14日
VIP会员
相关资讯
计算机 | 入门级EI会议ICVRIS 2019诚邀稿件
Call4Papers
10+阅读 · 2019年6月24日
Transferring Knowledge across Learning Processes
CreateAMind
29+阅读 · 2019年5月18日
IEEE | DSC 2019诚邀稿件 (EI检索)
Call4Papers
10+阅读 · 2019年2月25日
【TED】生命中的每一年的智慧
英语演讲视频每日一推
10+阅读 · 2019年1月29日
A Technical Overview of AI & ML in 2018 & Trends for 2019
待字闺中
18+阅读 · 2018年12月24日
【推荐】用Python/OpenCV实现增强现实
机器学习研究会
15+阅读 · 2017年11月16日
【推荐】视频目标分割基础
机器学习研究会
9+阅读 · 2017年9月19日
【推荐】全卷积语义分割综述
机器学习研究会
19+阅读 · 2017年8月31日
【推荐】SVM实例教程
机器学习研究会
17+阅读 · 2017年8月26日
【今日新增】IEEE Trans.专刊截稿信息8条
Call4Papers
7+阅读 · 2017年6月29日
Top
微信扫码咨询专知VIP会员