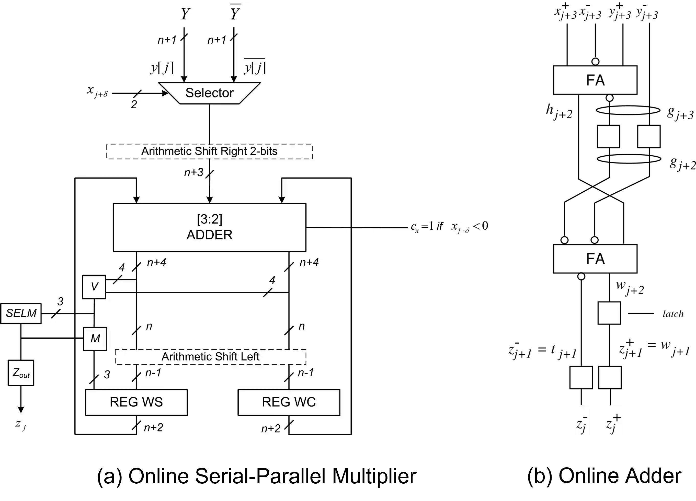
We propose a Digit-Serial Left-tO-righT (DSLOT) arithmetic based processing technique called DSLOT-NN with aim to accelerate inference of the convolution operation in the deep neural networks (DNNs). The proposed work has the ability to assess and terminate the ineffective convolutions which results in massive power and energy savings. The processing engine is comprised of low-latency most-significant-digit-first (MSDF) (also called online) multipliers and adders that processes data from left-to-right, allowing the execution of subsequent operations in digit-pipelined manner. Use of online operators eliminates the need for the development of complex mechanism of identifying the negative activation, as the output with highest weight value is generated first, and the sign of the result can be identified as soon as first non-zero digit is generated. The precision of the online operators can be tuned at run-time, making them extremely useful in situations where accuracy can be compromised for power and energy savings. The proposed design has been implemented on Xilinx Virtex-7 FPGA and is compared with state-of-the-art Stripes on various performance metrics. The results show the proposed design presents power savings, has shorter cycle time, and approximately 50% higher OPS per watt.


翻译:暂无翻译

0
下载
关闭预览

相关内容

Linux导论,Introduction to Linux,96页ppt
专知会员服务
82+阅读 · 2020年7月26日
FlowQA: Grasping Flow in History for Conversational Machine Comprehension
专知会员服务
34+阅读 · 2019年10月18日
Stabilizing Transformers for Reinforcement Learning
专知会员服务
60+阅读 · 2019年10月17日
《DeepGCNs: Making GCNs Go as Deep as CNNs》
专知会员服务
31+阅读 · 2019年10月17日
Keras François Chollet 《Deep Learning with Python 》, 386页pdf
专知会员服务
161+阅读 · 2019年10月12日
【SIGGRAPH2019】TensorFlow 2.0深度学习计算机图形学应用
专知会员服务
41+阅读 · 2019年10月9日
Hierarchically Structured Meta-learning
CreateAMind
27+阅读 · 2019年5月22日
Transferring Knowledge across Learning Processes
CreateAMind
29+阅读 · 2019年5月18日
强化学习的Unsupervised Meta-Learning
CreateAMind
18+阅读 · 2019年1月7日
Unsupervised Learning via Meta-Learning
CreateAMind
43+阅读 · 2019年1月3日
A Technical Overview of AI & ML in 2018 & Trends for 2019
待字闺中
18+阅读 · 2018年12月24日
STRCF for Visual Object Tracking
统计学习与视觉计算组
15+阅读 · 2018年5月29日
Hierarchical Imitation - Reinforcement Learning
CreateAMind
19+阅读 · 2018年5月25日
Focal Loss for Dense Object Detection
统计学习与视觉计算组
12+阅读 · 2018年3月15日
IJCAI | Cascade Dynamics Modeling with Attention-based RNN
KingsGarden
13+阅读 · 2017年7月16日
From Softmax to Sparsemax-ICML16(1)
KingsGarden
74+阅读 · 2016年11月26日
国家自然科学基金
2+阅读 · 2017年12月31日
国家自然科学基金
13+阅读 · 2017年12月31日
国家自然科学基金
2+阅读 · 2015年12月31日
国家自然科学基金
0+阅读 · 2015年12月31日
国家自然科学基金
0+阅读 · 2015年12月31日
国家自然科学基金
0+阅读 · 2015年12月31日
国家自然科学基金
2+阅读 · 2015年12月31日
国家自然科学基金
1+阅读 · 2014年12月31日
国家自然科学基金
0+阅读 · 2014年12月31日
国家自然科学基金
0+阅读 · 2014年12月31日
Arxiv
0+阅读 · 2023年11月6日
Arxiv
0+阅读 · 2023年11月6日
VIP会员
相关VIP内容
相关资讯
Hierarchically Structured Meta-learning
CreateAMind
27+阅读 · 2019年5月22日
Transferring Knowledge across Learning Processes
CreateAMind
29+阅读 · 2019年5月18日
强化学习的Unsupervised Meta-Learning
CreateAMind
18+阅读 · 2019年1月7日
Unsupervised Learning via Meta-Learning
CreateAMind
43+阅读 · 2019年1月3日
A Technical Overview of AI & ML in 2018 & Trends for 2019
待字闺中
18+阅读 · 2018年12月24日
STRCF for Visual Object Tracking
统计学习与视觉计算组
15+阅读 · 2018年5月29日
Hierarchical Imitation - Reinforcement Learning
CreateAMind
19+阅读 · 2018年5月25日
Focal Loss for Dense Object Detection
统计学习与视觉计算组
12+阅读 · 2018年3月15日
IJCAI | Cascade Dynamics Modeling with Attention-based RNN
KingsGarden
13+阅读 · 2017年7月16日
From Softmax to Sparsemax-ICML16(1)
KingsGarden
74+阅读 · 2016年11月26日
相关基金
国家自然科学基金
2+阅读 · 2017年12月31日
国家自然科学基金
13+阅读 · 2017年12月31日
国家自然科学基金
2+阅读 · 2015年12月31日
国家自然科学基金
0+阅读 · 2015年12月31日
国家自然科学基金
0+阅读 · 2015年12月31日
国家自然科学基金
0+阅读 · 2015年12月31日
国家自然科学基金
2+阅读 · 2015年12月31日
国家自然科学基金
1+阅读 · 2014年12月31日
国家自然科学基金
0+阅读 · 2014年12月31日
国家自然科学基金
0+阅读 · 2014年12月31日
Top
微信扫码咨询专知VIP会员