晶致半导体芯片赋予机器人舵机新的技术 微型化舵机将是趋势

2018 年 11 月 21 日 1号机器人网


形机器人正在带动机器人舵机的发展,至去年以来,机器人舵机是越做越小,对技术的要求越来越高,最新的趋势是三相无刷舵机将会逐渐成为发展主流,它的寿命将是有刷电机的三倍以上,而且工作效率可提高50% 以上。


传统有刷电机的缺陷,已不满足机器人技术快速发展的需求,我们经常遇到的问题是换相容易产生高温之电弧、火花、金属屑,而且寿命短、体积大,不容易控制,对机器人企业而言,最重要的是舵机返修贵。


从市面上的人形机器人返修情况来看,大多问题出自在舵机上,如齿轮崩牙磨损,导致手部、腿部关节无法转动;马达阻抗一致性差,导致耗电加剧,损坏驱动器件等等。


在用户看来,舵机的不稳定性,经常导致机器人失足,重心不稳,或舵机摆动幅度过大,导致关节部位卡住无法定位,这些都是不可接受的。


因此,我们需要更强的舵机去支撑人形机器人的高强度运作,台湾晶致半导体股份有限公司(以下简称:晶致半导体)新推出的三相驱动芯片很好的解决了这些问题。


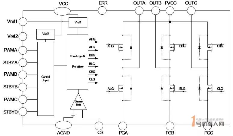
晶致半导体应用工程师陈韦缙说:“晶致半导体三相驱动芯片AM2885提供了有力的心脏并塞进了极小的空间 LGA(4.5mm * 4.5mm)的封装内。我们保留了所有传统分离组件的优势(内阻极小达到 80mΩ以下),并将它成功的微型化,再赋予新的灵魂(如 current limit function、TSD、死区保护…等新的架构),让原本过时的电机驱动更能符合未来机器人舵机上的方案及应用。”


图:晶致半导体三相驱动芯片架构

晶致半导体等于是高度整合了驱动芯片,涉及技术包含:低导通电压、超低内阻、内置死区时间、过流、过温保护机制等。AM2885芯片可以提高输出能力,降低无效功率的产生,并降低芯片本身的表面温度;而且内置死区时间为0.5微秒,在舵机的高精度运作下,做到精准定位控制,所以机器人动作顺畅不会延迟。

 

陈韦缙说:“原先舵机驱动电流约1A,但机器人本身的重量以及对性能的要求日益渐增,在机器人运动的过程中,舵机的持续驱动电流会提升至3-5A,如果采用AM2885芯片,不但可以支撑更高性能的电流持续输出(3-6A),还因封装缩小(4.5mm * 4.5mm),进而将PCBA的面积缩小,大大简化了系统的设计难度,从而达到舵机微型化及多功能化的目的。”


在机器人舵机发展不断微型化的过程中,晶致半导体AM2885芯片给机器人舵机注入新的灵魂,让小型化舵机更有作为。这也符合人形机器人技术发展的趋势,接下来人形机器人发展也可实现微型化,让更小型的人形机器人陪伴在我们的身边,方便携带。

 

高整合度的芯片不但能降低工厂生产时的返工率,还能提升器件的稳定性,大幅缩短研发的时程,这对机器人企业而言,今后在人形机器人的制造上可以缩短时间,也能提供更有保障性的产品。


登录查看更多
0

相关内容

机器人(英语:Robot)包括一切模拟人类行为或思想与模拟其他生物的机械(如机器狗,机器猫等)。狭义上对机器人的定义还有很多分类法及争议,有些电脑程序甚至也被称为机器人。在当代工业中,机器人指能自动运行任务的人造机器设备,用以取代或协助人类工作,一般会是机电设备,由计算机程序或是电子电路控制。

知识荟萃

精品入门和进阶教程、论文和代码整理等

更多

查看相关VIP内容、论文、资讯等
人机对抗智能技术
专知会员服务
214+阅读 · 2020年5月3日
基于视觉的三维重建关键技术研究综述
专知会员服务
166+阅读 · 2020年5月1日
新时期我国信息技术产业的发展
专知会员服务
71+阅读 · 2020年1月18日
阿里巴巴达摩院发布「2020十大科技趋势」
专知会员服务
108+阅读 · 2020年1月2日
2019中国硬科技发展白皮书 193页
专知会员服务
86+阅读 · 2019年12月13日
【大数据白皮书 2019】中国信息通信研究院
专知会员服务
138+阅读 · 2019年12月12日
【白皮书】“物联网+区块链”应用与发展白皮书-2019
专知会员服务
94+阅读 · 2019年11月13日
【精益】精益生产与智能制造的联系和支撑
产业智能官
39+阅读 · 2019年9月14日
2018年氢燃料电池行业研究报告
行业研究报告
5+阅读 · 2019年5月6日
【机器人】机器人PID控制
产业智能官
10+阅读 · 2018年11月25日
怎样用声纹识别,提升智能硬件产品的用户体验?
人人都是产品经理
6+阅读 · 2018年8月27日
Arxiv
29+阅读 · 2020年3月16日
Question Generation by Transformers
Arxiv
5+阅读 · 2019年9月14日
Self-Attention Graph Pooling
Arxiv
13+阅读 · 2019年6月13日
Arxiv
24+阅读 · 2018年10月24日
Arxiv
5+阅读 · 2018年5月5日
VIP会员
相关VIP内容
人机对抗智能技术
专知会员服务
214+阅读 · 2020年5月3日
基于视觉的三维重建关键技术研究综述
专知会员服务
166+阅读 · 2020年5月1日
新时期我国信息技术产业的发展
专知会员服务
71+阅读 · 2020年1月18日
阿里巴巴达摩院发布「2020十大科技趋势」
专知会员服务
108+阅读 · 2020年1月2日
2019中国硬科技发展白皮书 193页
专知会员服务
86+阅读 · 2019年12月13日
【大数据白皮书 2019】中国信息通信研究院
专知会员服务
138+阅读 · 2019年12月12日
【白皮书】“物联网+区块链”应用与发展白皮书-2019
专知会员服务
94+阅读 · 2019年11月13日
Top
微信扫码咨询专知VIP会员