20张材料微观组织照片赏析!

2017 年 12 月 14 日 材料科学与工程 MSE
点击上方「材料科学与工程」快速关注

材料类综合、全面、专业的微信平台


材料之美不仅体现在宏观,也表现在其微观组织。为了让更多材料人欣赏到美轮美奂的材料组织,培养探索微观世界的兴趣,提高仪器使用水平与艺术鉴赏能力,材料科学与工程微信公众号继成功举办三届金相大赛后,特此举办第四届材料微结构大赛。欢迎投稿、合作等,点击此处查看详情。(第四届材料微结构大赛正式开始!更有专家点评、好礼相送!)。


我们继续赏析往届的部分作品吧:



【61王元瑞】材料:321 不锈钢。仪器:ZEISSObserver.Z1m(明场)。侵蚀方法:水+盐酸+偏重亚硫酸钾。组织说明:奥氏体;采用彩色金相法侵蚀+明场拍摄,使奥氏体晶粒和孪晶按其不同的晶体学位向染成不同颜色。



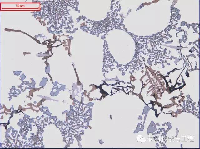
【62王元瑞】材料:ZL111 铝锭。拍摄仪器:Leica DM5000 光学显微镜(明场)。侵蚀方法:0.5%HF,混合酸,20%硫酸等试剂。组织说明:α(Al)+共晶Si+海蓝色Mg2Si 相+亮色Al2Cu 相+棕红色W(AlxCu4Mg4Si4)相+浅灰色Al8FeMg3Si6 相+咖啡色AlFeMnSi 相;选取不同的试剂来显示各个相的形貌。



【63胡清华】材料:SEM图片由板厚为δ=6mm的06Cr19Ni10奥氏体不锈钢进行低温冲击试验制备。作品描述:SEM照片可看出试样断口主要呈韧窝状花样,并且是等轴韧窝,大小也分布的比较均匀,形状较为美观。



【64田真】材料:球墨铸铁。处理工艺:等温淬火。侵蚀方法:4%硝酸酒精溶液。拍摄条件:LeicaDM2700M金相显微镜正交偏光下拍摄。组织说明:球状石墨+马氏体+下贝氏体,其余为残余奥氏体。天际霞光入水中,水中天际一时红。直须日观三更后,首送金乌上碧空。——《晓日》唐·韩偓。



【65余成龙】荷电黑洞。对陶瓷密封小球蒸镀碳膜处理,并利用扫描电镜进行观察:由于电子束辐照导致荷电效应,在球面顶端出现类似黑洞的现象。



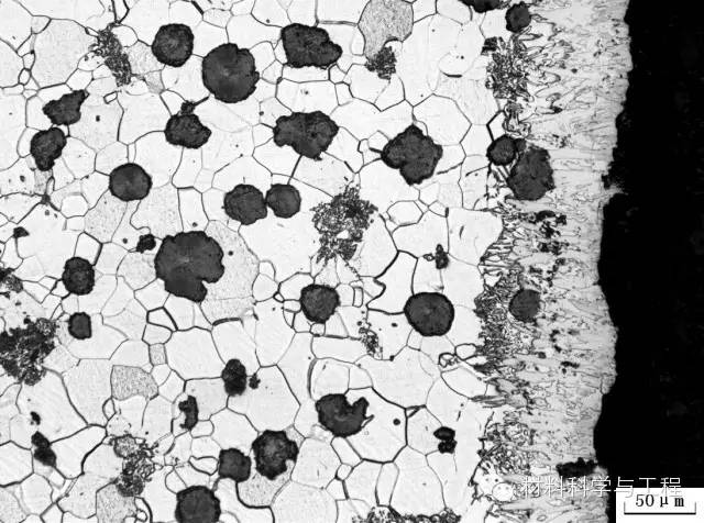
【66余成龙】6进口A2中的美丽“珍珠”。进口A2是美国高韧性耐磨工具钢,球化退火后经4%硝酸酒精溶液腐蚀,出现球状珠光体。



【67刘兴智】仪器:徕卡leica DMILM倒置金相显微镜。作品名称:表面防护后的折叠腐蚀。作品介绍:锌镍渗层表面防护的螺栓(材料Q235)中性盐雾试验时齿顶红锈。在红锈处解剖,螺栓在制作时有折叠,因毛细作用吸入盐水,基体中的折叠因腐蚀出现宽化,而与渗层相邻的折叠未受腐蚀,沿齿边缘分布的白色区域是制备渗层时的扩散层。



【68李如】材料介绍:钢材38CrMoAl的断口形貌。仪器:扫描电子显微镜。作品描述:38CrMoAl钢材的断口呈现出像荷叶状的形貌,上面好像点缀着点点水珠。



【69梁永新】材料:烧结钕铁硼。仪器:MDS光学显微镜。作品描述:钕铁硼的制造工艺从铸锭发展到铸片,这里展示相同配方铸锭和铸片的不同。铸锭中晶粒粗大,α-Fe分布明显,对后期制造不利。铸片中没有α-Fe出现,结晶细密。此作品可作为铸片生产推广使用的良证。



【70吴春晖】均质后6082铝棒微观组织形貌。金相显微镜。骨骼状AlFeSi相,晶内点状及针状Mg2Si弥散相,还有晶界上颗粒状Mg2Si颜色形状分明。



【71李金梅】
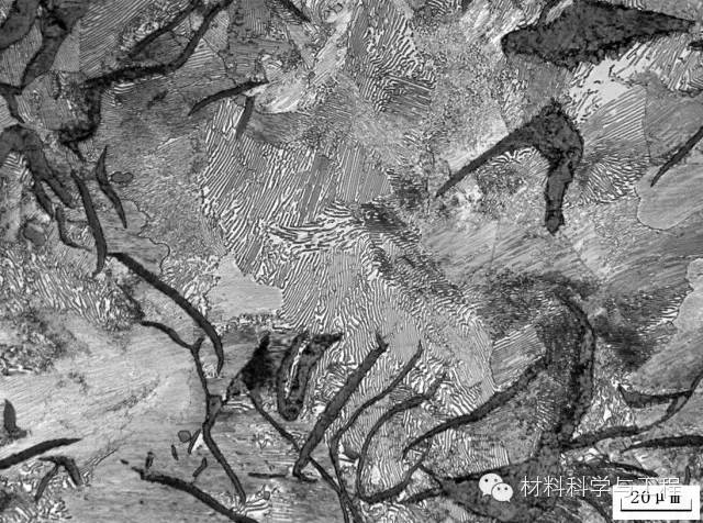
低合金钢经4%硝酸酒精溶液侵蚀后,针状先共析铁素体沿原奥氏体晶界析出,向内部生长,平行排列。就像大海平面风浪乍起时景象。



【72张宝燕】材料介绍:H13(4Cr5MoSiV1)模具钢。仪器:Zeiss Suppra55型场发射扫描电子显微镜。作品描述:H13钢球化退火保温一段时间直接淬火得到基体马氏体+球状碳化物。



【73张宝燕】材料介绍:Cu粉。仪器:Zeiss Suppra55型场发射扫描电子显微镜。作品描述:球形Cu粉形貌—300目。



【74张宝燕】材料介绍:Fe-Mn合金。仪器:Zeiss Suppra55型场发射扫描电子显微镜。作品描述:Fe-Mn阻尼合金在一定的诱发变形下形成的马氏体。



【75宋娟】灰口铸铁球座-徕卡MEF4M金相显微镜-片层石墨+珠光体组织。



【76宋娟】石墨铸铁球座-徕卡MEF4M金相显微镜-表面渗硼层组织。



【77朱丽霞】G105钻杆接头表面堆焊耐磨带-徕卡MEF4M金相显微镜-固溶体和碳化物的共晶体。



【78朱丽霞】钛棒-徕卡MEF4M金相显微镜-钛合金组织α+β。



【79瞿婷婷】2Cr13燃气表阀门-徕卡MEF4M金相显微镜-珠光体+铁素体+魏氏组织。



【80孙晶】Mg-8%Al-2%Ga镁合金铸态组织。仪器:JXJ-100型金相显微镜。作品描述:Mg-8%Al-2%Ga镁合金铸态组织 黑色为α-Mg(Al)基体,灰色大块状为β-Mg17Al12,灰色片状为凝固后由α-Mg(Al)析出的次生β-Mg17Al12。


— END —


赶紧报名!

第四届材料微结构大赛

展示自己吧!

点此查看报名详情

..............................................................

点击阅读原文,加入讨论交流合作

登录查看更多
0

相关内容

SEM 是 Search Engine Marketing 的缩写,中文意思是搜索引擎营销。SEM 是一种新的网络营销形式。SEM 所做的就是全面而有效的利用搜索引擎来进行网络营销和推广。SEM 追求最高的性价比,以最小的投入,获最大的来自搜索引擎的访问量,并产生商业价值。
专知会员服务
29+阅读 · 2020年3月6日
姿势服装随心换-CVPR2019
专知会员服务
36+阅读 · 2020年1月26日
 图像内容自动描述技术综述
专知会员服务
88+阅读 · 2019年11月17日
一套书看懂百年飞机史!
地球知识局
3+阅读 · 2019年5月4日
【材料课堂】TEM复杂电子衍射花样的标定原理
材料科学与工程
39+阅读 · 2019年4月12日
150个摄影测量与遥感术语
无人机
6+阅读 · 2018年4月22日
微表情检测和识别的研究进展与趋势
中国计算机学会
15+阅读 · 2018年3月23日
蔡志忠:我不同意三个臭皮匠顶一个诸葛亮
笔记侠
3+阅读 · 2017年11月30日
Knowledge Distillation from Internal Representations
Arxiv
4+阅读 · 2019年10月8日
Arxiv
6+阅读 · 2018年11月29日
Arxiv
14+阅读 · 2018年5月15日
Arxiv
8+阅读 · 2018年5月15日
VIP会员
Top
微信扫码咨询专知VIP会员