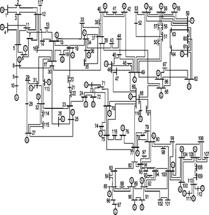
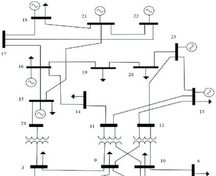
Foundation models (FMs) currently dominate news headlines. They employ advanced deep learning architectures to extract structural information autonomously from vast datasets through self-supervision. The resulting rich representations of complex systems and dynamics can be applied to many downstream applications. Therefore, FMs can find uses in electric power grids, challenged by the energy transition and climate change. In this paper, we call for the development of, and state why we believe in, the potential of FMs for electric grids. We highlight their strengths and weaknesses amidst the challenges of a changing grid. We argue that an FM learning from diverse grid data and topologies could unlock transformative capabilities, pioneering a new approach in leveraging AI to redefine how we manage complexity and uncertainty in the electric grid. Finally, we discuss a power grid FM concept, namely GridFM, based on graph neural networks and show how different downstream tasks benefit.


翻译:暂无翻译

0
下载
关闭预览

相关内容

ACM/IEEE第23届模型驱动工程语言和系统国际会议,是模型驱动软件和系统工程的首要会议系列,由ACM-SIGSOFT和IEEE-TCSE支持组织。自1998年以来,模型涵盖了建模的各个方面,从语言和方法到工具和应用程序。模特的参加者来自不同的背景,包括研究人员、学者、工程师和工业专业人士。MODELS 2019是一个论坛,参与者可以围绕建模和模型驱动的软件和系统交流前沿研究成果和创新实践经验。今年的版本将为建模社区提供进一步推进建模基础的机会,并在网络物理系统、嵌入式系统、社会技术系统、云计算、大数据、机器学习、安全、开源等新兴领域提出建模的创新应用以及可持续性。 官网链接:http://www.modelsconference.org/
Linux导论,Introduction to Linux,96页ppt
专知会员服务
82+阅读 · 2020年7月26日
FlowQA: Grasping Flow in History for Conversational Machine Comprehension
专知会员服务
34+阅读 · 2019年10月18日
Stabilizing Transformers for Reinforcement Learning
专知会员服务
60+阅读 · 2019年10月17日
《DeepGCNs: Making GCNs Go as Deep as CNNs》
专知会员服务
31+阅读 · 2019年10月17日
Keras François Chollet 《Deep Learning with Python 》, 386页pdf
专知会员服务
162+阅读 · 2019年10月12日
【SIGGRAPH2019】TensorFlow 2.0深度学习计算机图形学应用
专知会员服务
41+阅读 · 2019年10月9日
Hierarchically Structured Meta-learning
CreateAMind
27+阅读 · 2019年5月22日
Transferring Knowledge across Learning Processes
CreateAMind
29+阅读 · 2019年5月18日
强化学习的Unsupervised Meta-Learning
CreateAMind
18+阅读 · 2019年1月7日
Unsupervised Learning via Meta-Learning
CreateAMind
43+阅读 · 2019年1月3日
meta learning 17年:MAML SNAIL
CreateAMind
11+阅读 · 2019年1月2日
A Technical Overview of AI & ML in 2018 & Trends for 2019
待字闺中
18+阅读 · 2018年12月24日
disentangled-representation-papers
CreateAMind
26+阅读 · 2018年9月12日
STRCF for Visual Object Tracking
统计学习与视觉计算组
15+阅读 · 2018年5月29日
Focal Loss for Dense Object Detection
统计学习与视觉计算组
12+阅读 · 2018年3月15日
IJCAI | Cascade Dynamics Modeling with Attention-based RNN
KingsGarden
13+阅读 · 2017年7月16日
国家自然科学基金
13+阅读 · 2017年12月31日
国家自然科学基金
17+阅读 · 2017年12月31日
国家自然科学基金
2+阅读 · 2015年12月31日
国家自然科学基金
1+阅读 · 2015年12月31日
国家自然科学基金
2+阅读 · 2015年12月31日
国家自然科学基金
46+阅读 · 2015年12月31日
国家自然科学基金
2+阅读 · 2015年12月31日
国家自然科学基金
0+阅读 · 2014年12月31日
国家自然科学基金
0+阅读 · 2014年12月31日
国家自然科学基金
2+阅读 · 2014年12月31日
VIP会员
相关VIP内容
相关资讯
Hierarchically Structured Meta-learning
CreateAMind
27+阅读 · 2019年5月22日
Transferring Knowledge across Learning Processes
CreateAMind
29+阅读 · 2019年5月18日
强化学习的Unsupervised Meta-Learning
CreateAMind
18+阅读 · 2019年1月7日
Unsupervised Learning via Meta-Learning
CreateAMind
43+阅读 · 2019年1月3日
meta learning 17年:MAML SNAIL
CreateAMind
11+阅读 · 2019年1月2日
A Technical Overview of AI & ML in 2018 & Trends for 2019
待字闺中
18+阅读 · 2018年12月24日
disentangled-representation-papers
CreateAMind
26+阅读 · 2018年9月12日
STRCF for Visual Object Tracking
统计学习与视觉计算组
15+阅读 · 2018年5月29日
Focal Loss for Dense Object Detection
统计学习与视觉计算组
12+阅读 · 2018年3月15日
IJCAI | Cascade Dynamics Modeling with Attention-based RNN
KingsGarden
13+阅读 · 2017年7月16日
相关基金
国家自然科学基金
13+阅读 · 2017年12月31日
国家自然科学基金
17+阅读 · 2017年12月31日
国家自然科学基金
2+阅读 · 2015年12月31日
国家自然科学基金
1+阅读 · 2015年12月31日
国家自然科学基金
2+阅读 · 2015年12月31日
国家自然科学基金
46+阅读 · 2015年12月31日
国家自然科学基金
2+阅读 · 2015年12月31日
国家自然科学基金
0+阅读 · 2014年12月31日
国家自然科学基金
0+阅读 · 2014年12月31日
国家自然科学基金
2+阅读 · 2014年12月31日
Top
微信扫码咨询专知VIP会员