数字化大功率IGBT驱动保护电路如何实现?

2018 年 9 月 19 日 NE电气

上期内容:剑桥大学招聘博士后,年薪28万起,10月7日前有效

中国电工技术学会电力电子学会

第16届学术年会

中国 南京 10月12日至14日

详情请戳下方链接,戳!戳!戳!

学术|技术|创业,各路明星大咖齐聚南京,方山小清华倾情承办第16届电力电子学会年会

       数字电路凭借其稳定性高、可靠性高、可编程性强及易于设计等特点,应用日益普遍。采用数字化的处理方式是当前电子信息系统的普遍发展趋势。同样地,数字化也将是IGBT驱动器的一个发展趋势。本文以数字化IGBT驱动保护电路设计为例,介绍大功率IGBT驱动保护器的实现。该章节节选于杨媛 文阳所著《大功率IGBT驱动与保护技术》一书。

作者介绍

       杨媛,教授、博士生导师,西安理工大学研究生院副院长。曾在日本九州大学VLSI实验室进行访问学者。在数模混合集成电路设计、电路系统设计方面主持国家自然科学基金、国家重大科技专项子项、陕西省重点研发项目、陕西省自然科学基金等科研项目40余项。获陕西省科学技术一等奖1项、二等奖2项、西安市科学技术一等奖2项、陕西省高等学校一等奖2项,获陕西省优秀博士学位论文。先后获学校青年学术骨干、优秀青年教师等人才工程称号,获学校讲课比赛一等奖。先后发表论文100余篇,SCI、EI检索60余篇,授权国家发明专利11项,实用新型专利3项,出版教材2部,专著1部,并受到国家科学技术学术著作出版基金资助,受邀在ISNE2018国际学术会议做大会邀请报告。

1.字化驱动保护器

总体方案设计

       IGBT驱动保护器的设计方案包括电源电路、驱动、信号隔离和保护等方案的设计,根据不同的应用需求可采用不同的设计方案。

图1  脉冲变压器隔离的IGBT驱动保护方案

       图1为采用脉冲变压器进行信号隔离的IGBT驱动保护方案。系统方案主要分为隔离前端的低压部分和隔离后端的高压部分。后端通过物理接口以压接的方式与IGBT模块进行连接,主要包括以下几个部分:功率驱动、VCE检测部分、短路检测及快速关断、欠压检测以及+15V和-10V的隔离电源。前端主要包括数字控制部分(FPGA或CPLD)、过温信号处理、电流信号处理、隔离电源驱动以及过载保护监测。其中数字控制部分包含错误处理,脉冲整形(短脉冲抑制)、互锁、死区时间以及DC/DC隔离电源的驱动信号。输入信号由外部控制单元提供,外部信号首先进入数字处理部分,在内部进行短脉冲抑制、互锁、死区设置等处理之后,通过脉冲调制,利用脉冲变压器传递到后端,在后端通过脉冲整形,还原驱动信号,因为该驱动信号的驱动功率不足以驱动大功率的IGBT模块,所以需通过功率放大来增加驱动功率,使IGBT模块在要求的时间内开通关断,这就是驱动部分的设计。功率放大所需要的电源来源于前端通过DC/DC隔离电源产生,在IGBT的工作过程中,功率放大所需要的电源如果欠压,将导致IGBT不能按照要求的速度开关,导致错误开关,甚至造成IGBT的直通损坏,因此上下两路电源都需要有欠压检测,以保证功率放大稳定。检测信号通过隔离传输到前端的数字部分进行处理。系统通过VCE检测到IGBT的短路信号后,首先在隔离后端对驱动信号进行快速关断,然后通过隔离传输到前端,进入数字部分进行处理。温度检测与过载检测在通过传感器检测后,直接输入到前端,通过信号的处理,向外部的客户端送出模拟信号,同时将错误信号送进数字部分做相关处理。DC/DC隔离电源采用全桥模式,数字部分输出的信号不足以驱动DC/DC全桥变换的主电路,因此DC/DC隔离电源的隔离前端需要有功率驱动部分。

图2  光纤隔离的IGBT驱动方案

       图2为采用光纤进行信号隔离的大功率IGBT数字可编程驱动器。该驱动器的核心是一个数字控制单元CPLD,除此之外还包括以下几个部分:高隔离电压的DC/DC变换器、信号隔离传输部分、闭环多级动态门极驱动部分、多种故障检测和保护部分及状态反馈部分。其中数字控制单元CPLD包含以下模块:短脉冲抑制模块、输入信号过频保护模块、正常开关信号控制模块、多种故障信号检测模块、故障软关断控制模块及相应状态指示灯控制模块。多种故障检测和保护部分都包含以下功能:两级电流变化率dI/dt、多级VCE退饱和检测、IGBT过电流、过温检测和保护、驱动电源欠压检测及保护。

       驱动控制信号(PWM)由外部控制单元提供,其经过光纤隔离传输首先进入CPLD数字处理单元,在内部经过短脉冲抑制、过频保护等处理之后,控制闭环多等级动态门极功率放大部分,使IGBT按照实际需求合理正确地开通和关断,这就是整个模块的驱动部分。当IGBT有故障信号出现时,故障检测及保护部分将检测到的信息送给CPLD,CPLD确认该故障的真实性后,会发出对应的保护指令,进而保护IGBT不受损坏,同时能够实时地向外部控制器反馈IGBT的运行状态,方便用户的使用。整个驱动与保护电路所需要的功率来源于高隔离电压DC/DC变换器,它是保证IGBT安全、可靠运行的能量源泉。

2.驱动电路设计

       在IGBT开通时,驱动电路需要提供一定幅值的正向开通电压,向门极电容充电使IGBT达到饱和。在关断时提供一定幅值的关断电压来抽取门极电容中储存的电荷,使IGBT处于截止状态。因而,可以通过数字芯片控制对应功率器件的通断,来改变回路电流的流向,实现对IGBT的开通和关断操作。

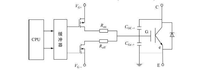
图3  简单的数字化驱动电路

       图3为一简单的数字化驱动电路,控制器发出的信号进入缓冲器后来控制开关管的开通和关断,从而得到IGBT开通和关断所需要的正向和负向电压。

图4  数字化动态门极驱动结构

       随着IGBT驱动技术的不断发展,研究人员又提出了可以优化IGBT开关特性的动态门极驱动结构。图4为数字化动态门极驱动结构,其中图4(a)与图4(b)的工作原理大致相同。在IGBT的开关过程中,根据IGBT的开关特性,控制对应的开关管的通断来改变其门极驱动电阻的大小,调节IGBT的开通关断速率,优化其开关特性。而且,由于控制芯片的可编程性,在驱动功率足够大的情况下,可以通过调整各个开关管的通断组合方式,实现对不同厂家、不同电压等级、不同电流等级以及不同型号的IGBT的开关控制,大大提高了驱动器的兼容性。此外,图 4(b)所示的驱动结构只需要单路驱动电源便可满足开通关断的驱动电压要求。当要驱动IGBT开通时,通过控制开关管的通断,使发射极e端接至0V电位,门极G接至+15V电位,在门极和发射极之间产生+15V开通驱动电压。当要驱动IGBT关断时,使发射极e端接至+15V电位,门极接通0V电位,在门极和发射极之间产生-15V关断电压。这有利于降低电源的设计成本,减小驱动器的体积。

3.数字化保护电路设计

      对IGBT的保护操作主要包括电压故障的保护、电流故障的保护以及温度故障的保护,而这些故障对应的检测电路的输出信号通常情况下均为数字信号。因而,可将故障信号直接送入数字可编程芯片进行处理分析,根据不同的故障类型配置不同的保护操作。

       当检测电路检测到故障信号并反馈给数字化保护电路时,保护电路首先需要对该故障信号进行甄别,判断是否为有效的错误信号,从而避免误保护。对如何确认故障信号,一般采用计数器计数再判断的原理,假设错误信号为低电平有效,在接收到低电平后,如果低电平持续时间小于故障确认时间tc,则认为该电平为干扰电平,大于故障确认时间tc的电平为有效电平。不同类型的故障,确认的时间不一样,具体时间根据该类故障下的电气特性而定。

       针对不同类型的故障,其关断保护的控制策略也不同。例如,IGBT在发生短路故障时,集电极电流IC快速上升至额定电流的数倍,此时就需要对IGBT进行软关断操作,从而避免因关断速率过快而引起关断浪涌电压过高,造成IGBT的二次损坏。同时,针对不同类型的故障,其关断保护的响应时间也不同。通常情况下,在检测到IGBT故障信号后,驱动器会对故障信号进行快速的甄别和响应,关断处于故障状态下的IGBT。但是对于IGBT的过载过电流故障,由于其过载时电流值为额定值的1.2~1.5倍,因而过载过电流不需要快速响应,允许有短时间的过载运行状态。

       图5为一种数字化保护电路的实现方法,此策略针对不同类型的故障信号,设置不同的关断保护方式和保护动作的响应时间。当故障信号输入到主控制芯片后,控制芯片会对故障类型进行判断。若是为过载故障,则对故障信号的真伪进行甄别,经过故障确认时间tc1后,故障状态仍存在,则对IGBT进行关断保护操作。过载故障时集电极电流较低,因此只需要正常关断即可。针对短路过电流故障保护时的关断应力较大的问题,此策略选用软关断的方式来避免关断过压的二次伤害。

图5  一种数字化保护电路的实现方法

       数字化驱动的另一个优势在于其扩展性较强。通常情况下,在IGBT进入故障状态后,驱动器需要将控制信号反馈给主控端,而不同应用场所的反馈信号的定义方式是不同的,因此一般驱动器在这一点上很难做到兼容。而数字化驱动的好处就在于其可编程性,只需要在现有硬件电路的基础上对其控制程序稍作修改,就可以实现相应的目标。


4. 信号预处理

       由于工作环境、控制模块可靠性等各方面因素的影响,可能会对控制回路的信号产生瞬态干扰,对功率回路造成一定的影响。因此,在驱动信号加载在IGBT模块之前,需要对驱动信号进行预处理,剔除错误信号对功率回路的影响,降低故障风险。

1)短脉冲抑制

       短脉冲信号会对功率回路造成不良影响。针对此类信号的干扰,也可以通过数字化电路来屏蔽。

       短脉冲的抑制功能的实现如图6所示,其中PWM_in,Cnt1和Cnt2为两个计数器。假设当输入信号的持续时间小于10个时钟周期即可认为是短脉冲。当脉冲输入PWM_in大于10个时钟周期时,PWM_out输出对应的信号;而当脉冲输入PWM_in小于10个时钟周期时,即认为是过窄的脉冲信号,进行滤除,忽略这个短脉冲信号并保持原有的状态,防止对后端驱动的影响。

图6  短脉冲抑制流程图

2 )死区时间设置

      半桥模式的IGBT模块在应用时,需要设置对应的死区时间来避免IGBT的直通危险。

       如图7所示为死区时间的数字化控制框图。其中,TOP_in和BOT_in分别为上下半桥的控制信号。由于死区时间的设置只针对由于功率器件的关断存在延时而造成的短路现象,因而,可只考虑上下半桥的输入信号相反这一种情况。假设死区时间为tTD,即当下半桥关断信号输入后,经时长为tTD的延时后,再控制上半桥开通;反之,当上半桥关断信号输入后,经时长为tTD的延时后,再控制下半桥开通。

图7  死区时间设置流程图

3)互锁设置

      互锁操作也是避免半桥工作模式下IGBT的直通故障的一种有效措施。并且,这种操作是针对由于控制信号异常而导致输入到上下半桥的控制信号同时为高,而导致上下半桥直通的故障。

      如图8所示为互锁操作的数字化控制框图。其中,TOP_in和BOT_in分别为上下半桥的控制信号。当控制信号传送至驱动器后,驱动器会对上下半桥的控制信号进行分析对比,若两路信号TOP_in和BOT_in相同且同时为高电平,此时为了功率回路的安全起见,驱动器会对上下两路信号置零且对输入信号进行封锁。从而实现对此类故障的处理。

  图8  互锁操作流程图

4) 过频保护

       不同的IGBT应用的环境不同,一般工作频率都会有所限制,例如应用于轨道交通列车中的3300V等级IGBT,其工作频率大概约为700Hz。如果工作频率过高,则IGBT的开关损耗将会增大也可能影响整个系统的正常运行。此外,信号频率过快也会使得驱动电路的自身损耗大大增加,有可能导致驱动器自身故障,如栅源电压欠压或过热损坏等问题,进而影响IGBT的正常工作。因此,在数字化程序设计中,对输入信号的频率进行实时监测,若PWM信号的频率大于IGBT及系统要求的最高工作频率时,应对该驱动信号进行封锁,进而达到过频保护的效果。

      了解更多大功率IGBT驱动与保护技术,扫描下方二维码关注!

《大功率IGBT驱动与保护技术》
杨媛,文阳 著
北京:科学出版社,2018.6
ISBN 978-7-03-057703-0
责任编辑:宋无汗

内容简介:

      《大功率IGBT驱动与保护技术》根据大功率IGBT驱动与保护技术的新发展现状,结合团队多年积累的科研成果和技术经验,对IGBT驱动和保护技术进行了全面的介绍。《大功率IGBT驱动与保护技术》在介绍IGBT器件及驱动新发展现状的基础上,从IGBT器件结构、特性以及工作原理出发,详细地分析了影响大功率IGBT开关特性的因素,介绍了IGBT模块的参数,进而对IGBT模块的驱动和保护技术进行全面的论述,在此基础上进一步阐述了数字化驱动保护技术以及IGBT串并联技术方案。另外,为帮助从事系统设计的读者选用合适的驱动器,《大功率IGBT驱动与保护技术》介绍了市场上现有的驱动器的使用方法及推荐电路。后面,介绍了IGBT功率模块、IPM模块和IGBT模块驱动测试平台。

      本书可供从事IGBT驱动与保护电路设计以及IGBT应用系统设计的高校科研人员和企业技术人员参考。

目录


第1章 概述 
1.1 引言 
1.2 功率半导体器件介绍 

1.2.1 功率二极管 
1.2.2 功率MOSFET 
1.2.3 晶闸管及其相关器件 
1.2.4 IGBT 
1.2.5 发展现状及展望 

1.3 IGBT驱动介绍 
1.3.1 被动式驱动电路 
1.3.2 主动式驱动电路 

1.4 大功率IGBT串并联技术 
1.4.1 IGBT并联均流技术 
1.4.2 IGBT串联均压技术 

1.5 展望 
1.5.1 IGBT在线监测与故障分析 
1.5.2 大功率IGBT串并联技术 
1.5.3 SiC器件驱动与保护电路研究 

 
第2章 IGBT的开关特性及主要参数 
2.1 等效电路分析 
2.1.1 IGBT等效电路 
2.1.2 开关过程等效电路 

2.2 IGBT开关特性 
2.2.1 IGBT开通过程 
2.2.2 IGBT关断过程 

2.3 擎住效应 
2.4 安全工作区 
2.5 续流二极管 

2.5.1 续流二极管静态特性 
2.5.2 续流二极管开通特性 
2.5.3 续流二极管关断特性 

2.6 IGBT的数据手册 
2.6.1 IGBT的极限参数 
2.6.2 IGBT的特征参数 
2.6.3 续流二极管的特征参数 


第3章 IGBT驱动电路 
3.1 驱动电路简介 
3.1.1 驱动电压 
3.1.2 门极电阻 
3.1.3 驱动电流 

3.2 驱动电源 
3.2.1 驱动功率计算 
3.2.2 DC/DC电路设计 

3.3 驱动信号隔离 
3.3.1 光隔离方式 
3.3.2 脉冲变压器隔离方式 

3.4 驱动器其他要求 
3.4.1 短脉冲抑制 
3.4.2 死区时间设置 
3.4.3 互锁设置 

 
第4章 IGBT故障分析与保护电路 
4.1 电流故障及其保护电路 
4.1.1 电流故障分析 
4.1.2 过电流保护电路 

4.2 过压保护 
4.2.1 过压故障与原因分析 
4.2.2 过压保护电路 

4.3 过温保护 
4.3.1 温度对IGBT的影响分析 
4.3.2 过温保护策略 

4.4 欠压保护 
4.4.1 欠压故障分析 
4.4.2 欠压保护策略 


第5章 数字化IGBT驱动保护电路的实现 
5.1 数字化驱动保护器总体方案设计 
5.2 驱动电路设计 
5.3 数字化保护电路设计 
5.4 信号预处理 

5.4.1 短脉冲抑制 
5.4.2 死区时间设置 
5.4.3 互锁设置 
5.4.4 过频保护 

 
第6章 并联均流 
6.1 影响并联均流的因素 
6.1.1 IGBT模块静态均流影响因素分析 
6.1.2 IGBT模块动态均流影响因素分析 

6.2 并联均流的措施 
6.2.1 器件选型 
6.2.2 驱动电路的对称性设计 
6.2.3 功率回路的阻抗与寄生参数的对称性 
6.2.4 降额法 
6.2.5 有源门极控制法 
6.2.6 电感均流法 
6.2.7 有源门极控制IGBT并联均流 
6.2.8 分散式有源门极控制法 


第7章 现有驱动产品介绍及应用 
7.1 IR系列驱动器 
7.1.1 IR2110电气特性 
7.1.2 IR2110驱动电路抗干扰技术 

7.2 EXB系列集成驱动器 
7.2.1 EXB系列集成驱动器使用特点 
7.2.2 EXB系列集成驱动器应用电路 

7.3 落木源TX-KA101驱动器 
7.3.1 TX-KA101驱动器基本功能 
7.3.2 TX-KA101三段式驱动保护 
7.3.3 TX-KA101应用参考电路 

7.4 青铜剑2QD0435T17-C驱动器 
7.4.1 2QD0435T17-C基本功能 
7.4.2 2QD0435T17-C原边接口电路描述 
7.4.3 2QD0435T17-C副边接口电路描述 
7.4.4 2QD0435T17-C工作特点 

7.5 SCALE系列 
7.5.1 驱动核概述 
7.5.2 2SC0535T原方接口电路描述 
7.5.3 2SC0535T副方接口电路描述 

7.6 Inpower系列数字驱动器 
7.7 Amantys门极驱动器 
7.8 驱动器应用举例 

7.8.1 驱动器在有源电力滤波器中的应用 
7.8.2 驱动器在机车牵引中的应用 


第8章 IGBT功率模块及IPM 
8.1 功率半导体模块 
8.1.1 模块结构与特点 
8.1.2 功率模块的性能 
8.1.3 IGBT模块新技术 

8.2 IPM 
8.2.1 IPM特点 
8.2.2 IPM结构与性能 
8.2.3 IPM保护功能 
8.2.4 IPM封装新技术 

8.3 IPM产品介绍 
8.3.1 低电感内部结构 
8.3.2 SKiiP系列IPM功能 

 
第9章 IGBT测试与装置 
9.1 双脉冲测试平台 
9.1.1 功率部分 
9.1.2 测量设备 

9.2 双脉冲测试方法 
9.2.1 双脉冲测试意义 
9.2.2 双脉冲测试简介 
9.2.3 双脉冲实验的关注点 
9.2.4 双脉冲实验的其他作用 

9.3 短路测试方法 
9.3.1 一类短路测试 
9.3.2 二类短路测试 


👇👇👇

欢迎朋友圈转发

欢迎评论区留言

推荐阅读:点击标题阅读

远宽能源诚聘英才

ModelingTech助力远景风机研发测试

又一个机场down掉了,下一个会是谁?

技术前沿!电机驱动系统硬件在环仿真测试

基于PQZip数据压缩技术的电网大数据监测

电气工程与智能电网亟需攻克的五大核心技术

StarSim小步长实时仿真助力并联逆变器研究

新工科?一文读懂电气名校是如何利用实时仿真技术玩转教学科研的

智能配电新主张,施耐德电气Smart Trihal智能干式变压器揭开神秘面纱

欢迎分享您的优质资源

投稿邮箱:xiongliansong@163.com

登录查看更多
0

相关内容

DC:Distributed Computing。 Explanation:分布式计算。 Publisher:Springer。 SIT:http://dblp.uni-trier.de/db/journals/dc/
FPGA加速系统开发工具设计:综述与实践
专知会员服务
69+阅读 · 2020年6月24日
专知会员服务
81+阅读 · 2020年6月20日
最新《智能交通系统的深度强化学习》综述论文,22页pdf
报告 |事理图谱的构建及应用,附61页pdf
专知会员服务
196+阅读 · 2020年1月17日
专知会员服务
37+阅读 · 2019年12月13日
【北大】知识图谱的关键技术及其智能应用
专知
112+阅读 · 2019年9月19日
CNCC技术论坛丨新型持久内存系统与安全
中国计算机学会
7+阅读 · 2019年9月15日
【数字化】制造业数字化转型的实战路线图
产业智能官
40+阅读 · 2019年9月10日
智能配用电大数据分析-概率性负荷预测
NE电气
5+阅读 · 2019年7月5日
杨春立:基于数字孪生的智慧城市顶层设计探索与实践
【CPS】信息物理融合系统理论与应用专刊序言
产业智能官
7+阅读 · 2019年2月27日
一个人的企业安全建设之路
FreeBuf
5+阅读 · 2017年7月7日
Arxiv
5+阅读 · 2018年5月5日
Arxiv
14+阅读 · 2018年4月18日
Arxiv
5+阅读 · 2018年2月26日
Arxiv
3+阅读 · 2017年11月12日
VIP会员
相关资讯
【北大】知识图谱的关键技术及其智能应用
专知
112+阅读 · 2019年9月19日
CNCC技术论坛丨新型持久内存系统与安全
中国计算机学会
7+阅读 · 2019年9月15日
【数字化】制造业数字化转型的实战路线图
产业智能官
40+阅读 · 2019年9月10日
智能配用电大数据分析-概率性负荷预测
NE电气
5+阅读 · 2019年7月5日
杨春立:基于数字孪生的智慧城市顶层设计探索与实践
【CPS】信息物理融合系统理论与应用专刊序言
产业智能官
7+阅读 · 2019年2月27日
一个人的企业安全建设之路
FreeBuf
5+阅读 · 2017年7月7日
Top
微信扫码咨询专知VIP会员