新型电容式图像传感器:让指纹识别更精确!

2019 年 4 月 8 日 IntelligentThings

导读


近日,日本东北大学的科研小组开发出一种新型接近电容式图像传感器。该传感器具有非常高的灵敏度和分辨率,扫描到的指纹不仅可以显示指尖的漩涡状纹路,还可以显示出纹路之间的汗孔。


背景


指纹(fingerprint),是指人手指末端正面皮肤上产生的凹凸不平的纹线。指纹的纹路并不是连续、平滑、笔直的,而是经常出现中断、分叉、转折。这些断点、分叉点和转折点就称为"特征点"。


(图片来源:维基百科)


特征点为指纹提供了唯一性信息,也就是说,每个人都拥有独一无二的指纹,就像“人体身份证”一样。我们通过比较不同指纹的“特征点”就可以进行身份鉴定,这也就是所谓的“指纹识别技术”。


(图片来源:维基百科)


指纹识别技术是目前使用最广泛、价格较便宜的生物特征识别技术。它是图像处理、模式识别、计算机视觉、数学形态学等众多学科交叉融合的产物。如今,指纹识别技术已作为一种身份鉴权的手段,广泛应用于门禁、考勤系统、笔记本电脑、手机、汽车、银行支付等诸多领域。


一般来说,指纹识别系统包括指纹图像获取、处理、特征提取和比对等模块。目前,主流的指纹识别技术有以下几种:光学技术、温差感应技术、电容式技术、超声波技术。


虽然目前指纹识别技术已经很成熟,有着很强的鉴别能力,但是一些扫描指纹的设备还是有可能被“假的”或者“相似的”指纹所欺骗。


创新


然而,日本科研团队的一项合作研究不久将改变上述情况。


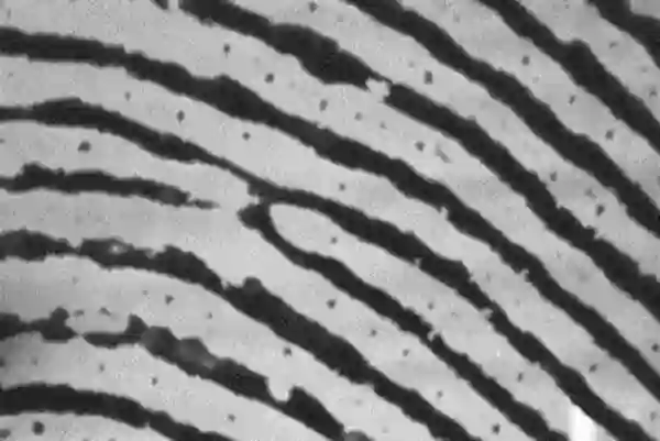
近日,日本东北大学(Tohoku University)的科研小组开发出一种新型接近电容式图像传感器(proximity capacitance imaging sensor)。该传感器具有非常高的灵敏度和分辨率,扫描到的指纹不仅可以显示指尖的漩涡状纹路,还可以显示出纹路之间的汗孔


(图片来源:Shigetoshi Sugawa, 日本东北大学)


2018年12月,在加州旧金山召开的国际电气与电子工程师学会电子器件会议首次展示了这种原型传感器。一篇详细描述传感器的论文发表在2018年国际电子器件会议的技术文摘上。3月22日,这篇论文的作者们在日本图像信息与电视工程师学会(ITE)组织的一次会议上,展示了新材料与研究成果。


技术


东北大学工程研究所教授、论文作者之一的 Shigetoshi Sugawa 表示:“这种先进传感器最重要的特点就是电容灵敏度高。”


许多手机触摸屏与电脑触控板都采用了低灵敏度的电容传感器。传感器与导电工具(例如手指)之间的电气特性差异,使设备对于“滚动或双击“作出反应。当物体靠近(双击或轻轻滚动)时,电容会增加。


Sugawa 称,这种电容传感器的高灵敏度来源于新引进的降噪技术


传感器芯片含有像素点,以检测“样本”与“检测电极”之间的电容。每个像素点附着一个检测电极,与地线之间产生电容耦合。这些电气信号被转化为样本的图像。以前,信号会接收到背景噪声,例如热噪声和由于像素的电气元件变化产生的噪声,从而形成了质量较低的图像。


通过重复步骤以及表面上的图像捕捉测量到的十日元硬币上的接近电容图像。导电铜材料表面图案的细节看得很清楚。(图片来源:Shigetoshi Sugawa, 日本东北大学)


为了解决这个问题,研究人员们将复位开关应用于检测电极,并施加电压脉冲,从而生成一个可追踪噪声源的电路。复位开关使系统可检测到检测电极上出现的噪声。在复位开关被关闭之后,电压脉冲表现为两个交替的电平,有效地抵消和去除来自系统的噪声。


这就像,电视在没有信号输入的情况下出现的黑白雪花图案被消除了,变成了显得光滑的灰色屏幕。在纯色的背景上,检测任何偏差都会变得更容易。


价值


Sugawa 表示:“这个新产品对于大众来说很重要,因为它可以在工业、鉴权、生命科学、农业等领域中,提升分析与控制的效率。”


未来


下一步,Sugawa 和研究人员们计划优化这个传感器,使之应用于特定领域,例如印刷电路板和平板显示器的非接触式检测设备,以及具有先进传感器芯片的便携式摄像头系统。


关键字


指纹传感器电容


参考资料


【1】https://www.tohoku.ac.jp/en/press/prototype_in_precision.html




了解更多前沿技术,请点击“阅读原文”。



登录查看更多
0

相关内容

指纹识别即指通过比较不同指纹的细节特征点来进行鉴别 。指纹识别技术涉及图像处理、模式识别、计算机视觉、数学形态学、小波分析等众多学科。由于每个人的指纹不同,就是同一人的十指之间,指纹也有明显区别,因此指纹可用于身份鉴定。由于每次捺印的方位不完全一样,着力点不同会带来不同程度的变形,又存在大量模糊指纹,如何正确提取特征和实现正确匹配,是指纹识别技术的关键。
最新《深度学习自动驾驶》技术综述论文,28页pdf
专知会员服务
155+阅读 · 2020年6月14日
最新《自然场景中文本检测与识别》综述论文,26页pdf
专知会员服务
70+阅读 · 2020年6月10日
3D目标检测进展综述
专知会员服务
193+阅读 · 2020年4月24日
TPAMI 2019 | 鲁棒RGB-D人脸识别
计算机视觉life
11+阅读 · 2019年6月8日
人脸识别技术全面总结:从传统方法到深度学习
物联网智库
4+阅读 · 2019年2月15日
HoloLens新应用:扫描脸部就能读出你的心跳
雷锋网
3+阅读 · 2018年3月3日
文本识别 OCR 浅析:特征篇
开源中国
16+阅读 · 2018年1月6日
人脸图像保护和网纹人脸识别
机器学习研究会
8+阅读 · 2017年12月15日
Foreground-aware Image Inpainting
Arxiv
4+阅读 · 2019年1月17日
3D-LaneNet: end-to-end 3D multiple lane detection
Arxiv
7+阅读 · 2018年11月26日
Arxiv
6+阅读 · 2018年2月8日
VIP会员
相关资讯
TPAMI 2019 | 鲁棒RGB-D人脸识别
计算机视觉life
11+阅读 · 2019年6月8日
人脸识别技术全面总结:从传统方法到深度学习
物联网智库
4+阅读 · 2019年2月15日
HoloLens新应用:扫描脸部就能读出你的心跳
雷锋网
3+阅读 · 2018年3月3日
文本识别 OCR 浅析:特征篇
开源中国
16+阅读 · 2018年1月6日
人脸图像保护和网纹人脸识别
机器学习研究会
8+阅读 · 2017年12月15日
Top
微信扫码咨询专知VIP会员