人工神经网络发现生物神经网络,智源超高清电镜图像分割挑战赛开赛

2019 年 11 月 7 日 PaperWeekly

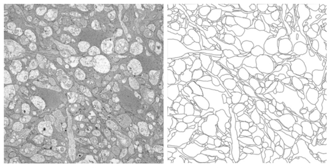
通过人工神经网络等计算机视觉技术,从兔子视网膜的电镜图片中分割出神经元。 

2019 年 10 月,北京智源人工智能研究院联合北京大学,共同发布了超高清晰电镜图像分割挑战赛神经元数据集,其中包含兔子的视网膜神经元影像图和细胞膜标注图,并同步开放了评测竞赛(2019 年 10 月 31 日 - 次年 1 月 15 日),总奖金 10 万元。比赛和数据可在数据评测平台 biendata 上查看。

比赛网址请见下方链接,或点击“阅读原文”链接。

比赛地址:

https://www.biendata.com/competition/urisc/


背景



外界环境中的视觉信息通过眼球的光学系统到达眼底的视网膜,在这里信息形式发生转变,光学信号变成可以在神经系统传递的神经信号。完成信息加工的是视网膜上的多种细胞类型,他们排列成“3+2”的网络结构,即三层细胞层与两层连接层,传统的解剖学研究已经让我们对视网膜有所认识,随着研究技术的发展,现在我们可以在前所未有的分辨率下进一步探索那些未知区域。


对神经系统内细胞的分布和连接的研究,不仅有助于我们理解神经系统如何工作,同时也会推动人工智能的发展,更重要的是可以为目前难以治疗的神经系统疾病提供理论依据。神经科学把对细胞分布和连接的研究称作“连接组学”,目前在不同的研究尺度上,科研人员都努力地获取了大量的数据,例如,一个小鼠的脑部扫描的数据量就在T级别。对于这些海量数据,大多数情况下研究人员还只能手动从中获取信息,这无异于“大海捞针”,所以高效地、自动化地挖掘有价值的信息是一个重要而紧迫的任务。


比赛任务



本次比赛要求选手根据对兔子视网膜的电镜成像图片,像素级地标注(即不用规则多边形,而是精确描绘出神经元的形状)每个神经元的外廓(只标注神经元的最外层细胞膜,神经元内部不进行填充标注)。

电镜图和标注图如下图所示:


参赛方式



点击阅读原文链接或扫描下图中的二维码直达赛事页面,注册网站 -下载数据,即可参赛。


智源人工智能系列竞赛



2019 年 9 月,智源人工智能算法大赛正式启动。本次比赛由北京智源人工智能研究院主办,清华大学、北京大学、中科院计算所、旷视、知乎等协办,总奖金超过 100 万元,旨在以全球领先的科研数据集与算法竞赛为平台,选拔培育人工智能创新人才。 


北京智源人工智能研究院院长、北京大学教授黄铁军介绍:智源的中心任务是在北京建成全球最优的人工智能创新生态,核心是选拔培育人工智能顶尖人才和发展潜力大的青年学术英才。研究院副院长刘江也表示:“我们希望不拘一格来支持人工智能真正的标志性突破,即使是本科生,如果真的是好苗子,我们也一定支持。”而人工智能大赛就是发现有潜力的年轻学者的重要途径。 


本次智源人工智能算法大赛有两个重要的目的,一是通过发布数据集和数据竞赛的方式,推动基础研究的进展。特别是可以让计算机领域的学者参与到其它学科的基础科学研究中。二是可以通过比赛筛选、锻炼相关领域的人才。截止到目前,智源人工智能系列大赛已开展 5 场,分别涵盖了神经生物学、自然语言处理、机器视觉等领域。在年底前,智源研究院还将陆续发布 5 道赛题,敬请大家期待! 


目前正在角逐的比赛: 


智源-超高清晰电镜图像分割挑战赛 神经元识别大赛

https://www.biendata.com/competition/urisc/


智源-知乎2019看山杯专家算法发现大赛 

https://www.biendata.com/competition/zhihu2019/


智源-AMiner同名消岐大赛 

https://www.biendata.com/competition/aminer2019_2/


友情提示,因涉及到数据下载,建议大家登录 PC 页面报名参加~~


🔍

现在,在「知乎」也能找到我们了

进入知乎首页搜索「PaperWeekly」

点击「关注」订阅我们的专栏吧



关于PaperWeekly


PaperWeekly 是一个推荐、解读、讨论、报道人工智能前沿论文成果的学术平台。如果你研究或从事 AI 领域,欢迎在公众号后台点击「交流群」,小助手将把你带入 PaperWeekly 的交流群里。


▽ 点击 | 阅读原文 | 报名参赛

登录查看更多
0

相关内容

人工神经网络(Artificial Neural Network,即ANN),它从信息处理角度对人脑神经元网络进行抽象,建立某种简单模型,按不同的连接方式组成不同的网络。在工程与学术界也常直接简称为神经网络或类神经网络。神经网络是一种运算模型,由大量的节点(或称神经元)之间相互联接构成。每个节点代表一种特定的输出函数,称为激励函数(activation function)。每两个节点间的连接都代表一个对于通过该连接信号的加权值,称之为权重,这相当于人工神经网络的记忆。网络的输出则依网络的连接方式,权重值和激励函数的不同而不同。而网络自身通常都是对自然界某种算法或者函数的逼近,也可能是对一种逻辑策略的表达。
【BAAI|2019】类脑神经网络技术及其应用,鲁华祥(附pdf)
专知会员服务
31+阅读 · 2019年11月21日
报名 | 清华大学“智慧医学影像论坛2018”
数据派THU
8+阅读 · 2018年6月27日
分析 | 盘点人工神经网络超过人类的6个领域
网易智能菌
5+阅读 · 2017年12月12日
Arxiv
26+阅读 · 2019年3月5日
Recurrent Fusion Network for Image Captioning
Arxiv
3+阅读 · 2018年7月31日
Arxiv
3+阅读 · 2018年6月24日
Arxiv
11+阅读 · 2018年5月13日
Arxiv
7+阅读 · 2017年12月26日
VIP会员
相关VIP内容
【BAAI|2019】类脑神经网络技术及其应用,鲁华祥(附pdf)
专知会员服务
31+阅读 · 2019年11月21日
Top
微信扫码咨询专知VIP会员