能效比提升超两倍,全球最高效ADC芯片问世

2021 年 5 月 22 日 机器之心
机器之心报道
编辑:泽南、蛋酱
ADC被人们比喻为模拟芯片中的「皇冠」,杨百翰大学近日发表的一项研究,让它的效率提升了数倍。


在ADC芯片40多年的历史中,其基本架构、设计和生产技术已经趋近于成熟,但在庞大的消费电子领域中,如此复杂而成熟的芯片有时也会成为机器性能的瓶颈。虽然在芯片领域之外的人较少关注,但ADC芯片技术含量较高,用途广泛,从测量仪器、手机、HiFi耳机到5G通信基站中都存在不同种类的ADC,部分高端产品甚至受到美国商务部出口管控的限制。

当前,移动设备的升级换代速度比以往更快。每年,科技巨头们都会制造出速度更快、功能更强大、电池续航时间更长的移动终端。苹果、三星等公司之所以能奇迹般地实现目标,主要是因为世界各地的工程人员不断设计出更加节能的高速传输芯片。

来自美国杨百翰大学的研究者构建了世界上能效最高的高速模拟数字转换器(A/D转换器,简称ADC)。在大部分电子设备中,ADC是能将模拟信号转换为数字信号的电子元件,该转换过程一般包括取样、保持、量化、编码4个过程。

论文地址: https://ieeexplore.ieee.org/document/8877924/

这项研究由中国台湾的一些机构赞助,耗时四年,包括设计芯片的三年和测试芯片的一年。研究团队包括国立阳明交通大学、加州大学洛杉矶分校的研究者,这篇论文在2021年2月发表在《IEEE固态电路》杂志,Swindlehurst为论文的第一作者。

杨百翰大学电气与计算机工程教授Wood Chiang、博士生Eric Swindlehurst和其他团队成员创建的ADC,在10GHz的超宽频无线通讯中仅消耗21毫瓦的功率,远低于此前数百毫瓦或瓦级别的功率,创造了世界上ADC的最高能效纪录。

Chiang教授说:「全球有很多团队致力于ADC,这就像是一场以更快更省油为目标的造车竞赛。打败全球范围内的对手很难,但我们做到了。」

Wood Chiang教授。

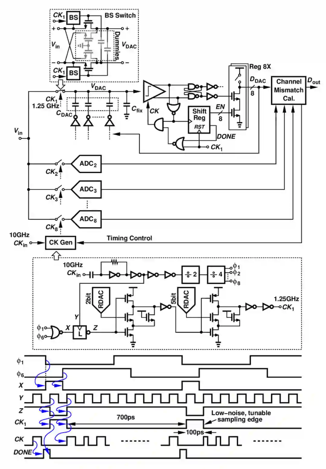
通信系统设备内越来越高的带宽意味着电路将要消耗更高的功率,杨百翰大学的研究者着眼于ADC电路的关键部分DAC,代表了与ADC完全相反的核心部分:数字-模拟信号转换器。

研究者通过调整电容器平行板的面积和间距来减少DAC的负载,使得转换器更快、更高效。此外,研究者采用与传统方式不同的方式对单元电容进行分组,将属于DAC中同一比特位的单元电容分在一组,而不是将它们贯穿在一起。这一方法使得底板的寄生电容降低到三分之一,从而大大降低功耗且提高了速度。



ADC设计与时序图。

最后,研究者使用了自举开关,使其成为双路径,因此每个路径可以独立优化。这种方法在不需要额外硬件的前提下提高了速度,主要是拆分现有设备并更改电路中的路由。

实验表明,该ADC采用28nm CMOS 工艺,在 Nyquist上工作时获得了36.9 dB 的 SNDR,功率为21毫瓦,FoM 为37fj/conv-step,刷新了世界上的最低功耗纪录。

杨百翰大学团队打造的ADC芯片显微图像。

「我们证明了全新芯片技术的特殊能力,」Wood Chiang说道。「这项工作让该领域向前推进了一大步,为消费者带来诸多便利。由于它的存在,你的WiFi连接将会延迟更低,上传下载带宽更大,可以轻松观看4K或8K的视频,同时让手机获得更长的待机时间。」

Wood Chiang表示,ADC的应用范围还包含自动驾驶汽车(需要很大的无线网络带宽),智能眼镜等智能穿戴设备,以及可植入芯片等。

这种设备仍需要复杂的设计和验证,以确保转换器中的数千个连接都能够正常运作。在设计过程中,每个错误可能要花费至少一年的时间来纠正,所幸研究团队并没有犯错。

「这就像在构建一座小城市,项目其中包含大量细节,」Wood Chiang说道。「研究团队完成了非常出色的工作,所有部分都完美地融合在一起,实现了这一工程壮举。我对能在杨百翰大学和这些优秀的学生们共事而感到荣幸。」

参考内容:
https://www.eurekalert.org/pub_releases/2021-05/byu-rcw052121.php


走近全球顶尖实验室:平安科技美国华盛顿特区研究院


5月23日-24日19:30-22:00,机器之心特别邀请到吕乐博士团队分享他们在医学影像分析和计算机辅助癌症诊断上的最新进展。

  • 报告一:CT图像中的通用病灶分析算法和在智能PACS系统中的应用
  • 报告二:医学影像+AI在精准肿瘤学中的应用:筛查、诊断及预后

  • 报告三:人工智能在X光骨密度评估与骨折诊断中的应用

  • 报告四:癌症放射治疗中的靶区与危及器官的三维精准分割


点击阅读原文,直达直播间。


© THE END 

转载请联系本公众号获得授权

投稿或寻求报道:content@jiqizhixin.com

登录查看更多
0

相关内容

半导体元件产品的统称。是集成电路(IC, integrated circuit)的载体,由晶圆分割而成。
专知会员服务
45+阅读 · 2021年10月6日
专知会员服务
102+阅读 · 2021年9月21日
专知会员服务
35+阅读 · 2021年5月10日
2021年中国人工智能在工业领域的应用研究报告(附报告)
专知会员服务
89+阅读 · 2021年3月3日
专知会员服务
60+阅读 · 2021年2月27日
专知会员服务
52+阅读 · 2020年12月28日
中国工业机器视觉产业发展白皮书,31页pdf
专知会员服务
105+阅读 · 2020年11月14日
《2020人工智能医疗产业发展蓝皮书》发布
专知会员服务
115+阅读 · 2020年9月11日
2019中国硬科技发展白皮书 193页
专知会员服务
86+阅读 · 2019年12月13日
一图看懂国产芯片与国外芯片公司差距!
物联网智库
8+阅读 · 2019年6月14日
颠覆传统计算架构:光神经网络硬件登上Nature
机器之心
6+阅读 · 2019年5月9日
深度报告:特种钢铁行业,支撑高端制造
材料科学与工程
12+阅读 · 2019年4月9日
Arxiv
0+阅读 · 2021年10月15日
Arxiv
8+阅读 · 2020年10月9日
TResNet: High Performance GPU-Dedicated Architecture
Arxiv
8+阅读 · 2020年3月30日
Arxiv
5+阅读 · 2018年5月5日
Arxiv
7+阅读 · 2018年3月22日
VIP会员
相关VIP内容
专知会员服务
45+阅读 · 2021年10月6日
专知会员服务
102+阅读 · 2021年9月21日
专知会员服务
35+阅读 · 2021年5月10日
2021年中国人工智能在工业领域的应用研究报告(附报告)
专知会员服务
89+阅读 · 2021年3月3日
专知会员服务
60+阅读 · 2021年2月27日
专知会员服务
52+阅读 · 2020年12月28日
中国工业机器视觉产业发展白皮书,31页pdf
专知会员服务
105+阅读 · 2020年11月14日
《2020人工智能医疗产业发展蓝皮书》发布
专知会员服务
115+阅读 · 2020年9月11日
2019中国硬科技发展白皮书 193页
专知会员服务
86+阅读 · 2019年12月13日
Top
微信扫码咨询专知VIP会员